Two grid power

两网电力设备

ZW20-12系列户外高压交流真空断路器

产品概述:

ZW20-12系列户外高压交流真空断路器为额定电压12kV、三相交流50Hz的户外高压开关设备。主要用于开断、关合电力系统的负载电流、过载电流及短路电流。适用于变电站、工矿企业及城乡配电网作保护和控制,特别适用于操作频繁的场所和城网自动化配电网络。本产品与控制器配套,能满足配电自动化系统要求,并能可靠而有效地完成传统的重合器功能。它采用成熟的箱式密封结构,内部充以SF6气体,具有良好的密封性能,使之不受外界环境影响,是一种免维护产品。其弹簧操动机构采用直动链条主传动和多级脱扣系统,动作可靠性高,是柱上断路器的佳品。

产品型号是说明

户外高压交流真空断路器
设计序号
额定电压 (kV)
弹簧操动机构
额定电流 (A)
额定短路开断电流 (kA)


使用环境条件

● 周围空气温度: -30℃~+40℃;
● 海拔高度: 不超过2000m;
● 周围空气可以受到尘埃、烟、腐蚀性气体、蒸汽或盐雾的污染;
● 风速不超过34m/s(相当于圆柱表面上的700Pa);
● 无经常性的剧烈震动;
● 污秽等级:Ⅲ级。

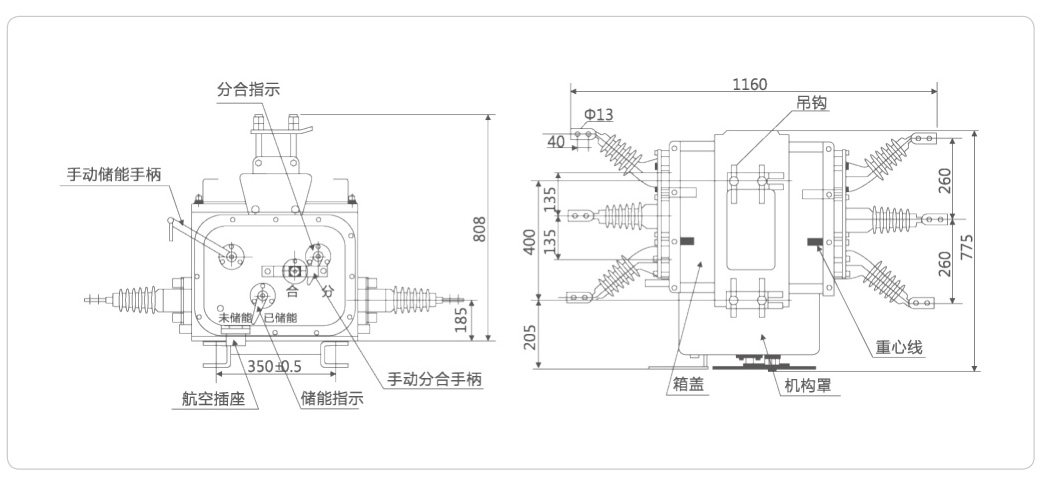
外形及安装尺寸图


联系方式
浙江QM球盟会电气股份有限公司
地址:浙江省乐清市乐清经济开发区纬十六路159号
服务热线:400-826-9123
网址:www.